隐藏

服务咨询热线:

136 0302 1948
您的位置:首页 > 隐藏 > TYPE C 24P 母座

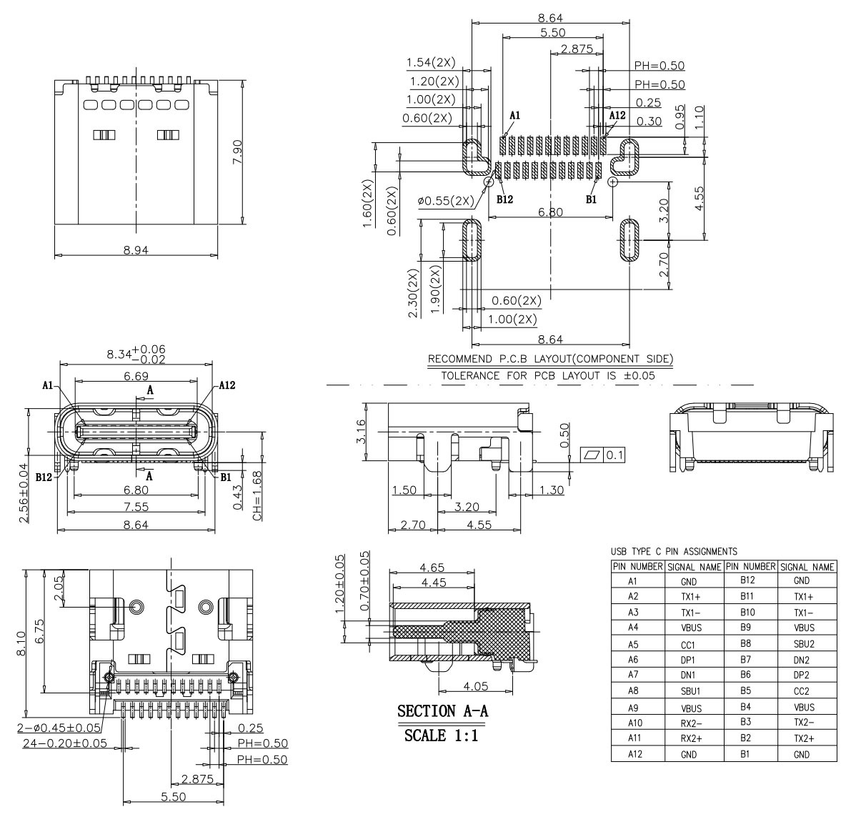
TYPE C 母座 24P

NOTES:
1.Material:See Table.
2.Finished:See Table.
3.Mechenical:
3-1:Insertion force: 0.5~2.0kgf.
3-2:Removal force: 0.8~2.0kgf.
3-3:Durability: 10000 times.
4.Electrical:
4-1:Current rating: 5.0A Max.
4-2:Voltage rating: 5.0V.
4-3:Insulation resistance:100MΩ Min.
4-4:Dielectric withstand voltage: AC 100V for 1Minute.
5.Environmental:
Oferating temperature:-30°C~+80℃.
6.IR REFLOW:
The peak temperature on the board shall be maintained for 10 seconds at 260℃.
在线咨询在线咨询

全国服务咨询热线:136 0302 1948

上一篇:TYPE C 母座 24P下一篇:暂未更新
相关产品/ Related Products

在线提交您的需求